ETESALATE STEEL ARAZ
BW fittings & piping components
ETESALAT STEEL ARAZ Company has been established in Kaveh Special economy Zone, located 100 km from Tehran ,with an area of 22,000 square meters. The excellent location of this company in the central corridor has facilitated easy access to raw materials as well as the possibility of exporting and supplying the oil and gas projects. The purpose of creating this complex is to meet the piping product of gas, oil and petrochemical industry projects in the field of simple carbon welded fitting joints / alloys / stainless and super alloy flanges.
This company is the largest production unit of fittings in the country with a production capacity of 3000 tons of products per month. Also, this company is able to produce the highest quality products in hot and cold methods by having an automatic production line, up-to-date machines and experienced employees. The standard of manufacturing products is in accordance with ASME / ANSI / ASTM and EN.
Our pipe fittings are used mainly in the chemical, petrochemical and power generation industries. We specialize in applications where high temperature, high pressure and corrosive environments are critical design factors.
Our clients include most of the top engineering companies in iran. Etesalat steel araz is known for its technological solutions, product quality, and customer oriented & emergency service.
The general policy of our organization is to guarantee an exceptionally high quality product. With more than one half century of experience, we continue to modernize and improve our production facilities. At the same time, we are constantly providing additional training to our highly qualified personnel. These efforts have brought etesalat steel araz the recognition and approval of the major international Inspection Authorities.
.
Our manufacturing process starts with skilled operators using
the latest computer controlled hydraulic presses furnaces
and CNC-machines.
All heat treatment is made in certified furnaces to insure that
the final product exceeds customer requirements.
.







Below is a partial list of the services we are able to offer our customers:

ASME B16.9
DIN 2605 Teil 1 – Teil 2
Diameters from 1/2″ to 72″
(21.3mm to 1829mm)
SR-LR-Special radius
Any wall thickness

ASME B16.9
DIN 2605 Teil1 – Teil 2
Diameters from 1/2″ to 72″
(21.3mm to 1829mm)
SR-LR-Special radius

ASME B16.9
DIN 2605 Teil1 – Teil 2
Diameters from 1/2″ to 72″
(21.3mm to 1829mm)
SR-LR-Special radius
Any wall thickness

ASME B16.9
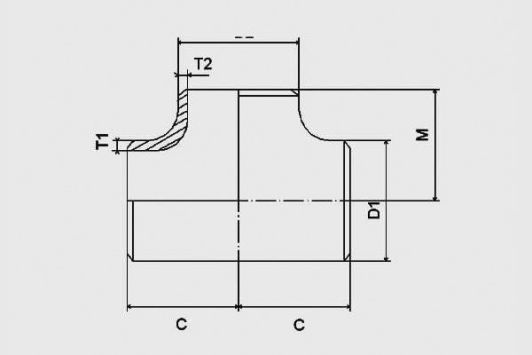
DIN 2615 Teil1 – Teil 2
Straight-reducer-strainer-lateral
Diameters from 1/2″ to 78″
(21.3mm to 1982mm)
Any wall thickness

ASME B16.9
DIN 2616 Tall1 – Tell 2
Diameters from 1/2″ to 160″
(21.3mm to 4200mm)
Any wall thickness

ASME B16.9
DIN 2616 Teil 1 – Teil 2
Diameters from 1/2″ to 160″
(21.3mm to to 4200mm)
Any wall thickness

ASME B16.9
DIN 2617
Diameters from 1/2″ to 72″
(21.3mm to 1829mm)
Any wall thickness

ASME B31.1
BW-SW-Threaded
Diameters from 3/4″ to 36″
(26.7mm to 914,4mm)
SR-LR-Special radius
Any rating

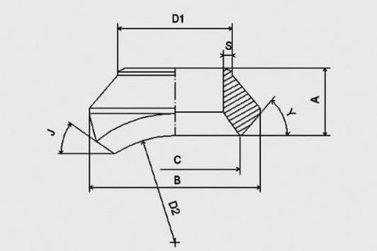
ASME B16.5
DIN 2635 – DIN 2527
Diameters from 1/2″ to 78″
(21.3mm to 1982mm)
Any rating

ASME B31.10
DIN 2635 – DIN 2527
Diameters from 1/2″ to 78″
(21.3mm to 1982mm)
Any wall thickness